Product details
Package Dimensions : 5.51 x 5.51 x 1.93 inches; 3.7 Pounds
Item model number : QJ 311 N2MA/C3

Brand
SKF
Material
Steel
Item Weight
1.68 Kilograms
Bearing Number
311
Bearing Type
Ball Bearing
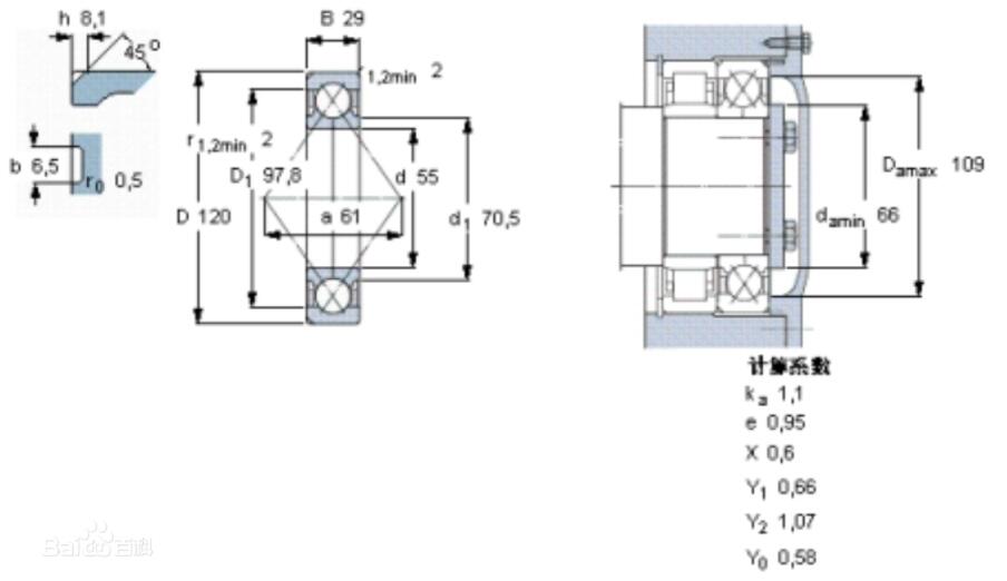
SKF QJ 311 N2MA/C3 Angular Contact Ball Bearing, ABEC 1 Precision, Four-Point Contact Design, Brass Cage, 35° Contact Angle, C3 Clearance, Open, Metric, 55mm Bore, 120mm OD, 29mm Width
<>SKF QJ 311 N2MA/C3 Angular Contact Ball Bearing

PREVIOUS:SKF QJ 210 MA/C3 Angular Contact Ball Bearing NEXT:SKF 7208 BEGAY Light Series Angular Contact Ball Bearing